+213 28 155 274 deltacontrol@gmail.com
Distributeurs série 120

1202123001

  • Distributeur série 120 - 1202123001
  • Distributeur série 120 - 1202123001

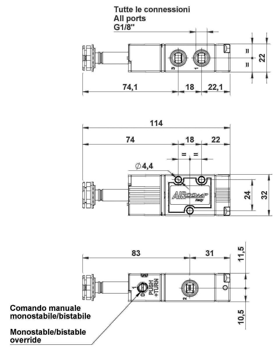
Description du produit

  • Pression de service : 1 ÷ 10 Bar (0,10 ÷ 1,00 MPa)
  • Faible chute de pression
  • Tension : 12V DC, 24V AC, 24V DC, 110V AC, 220V AC
  • Annulation manuelle : mono-bistable
  • Poids : 0,080 kg
  • La bobine est fournie séparément

Codes et références :

1202123001 — REF : EV 1/8" 22 3 SL PM NC P

1202123002 — REF : EV 1/8" 22 3 SL PM NO P