+213 28 155 274 deltacontrol@gmail.com
Distributeurs série 130

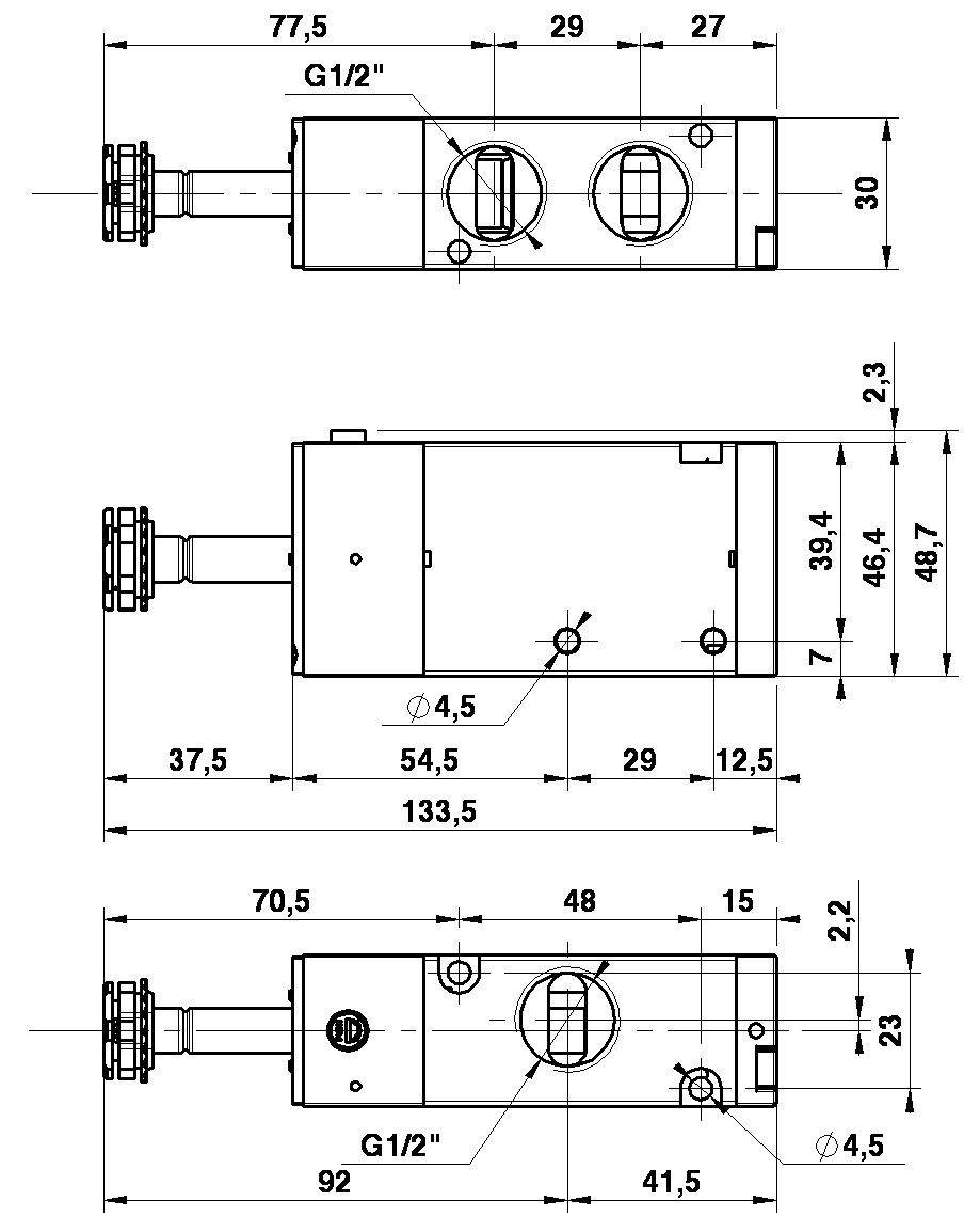
1304153001

  • Distributeur 1304153001
  • Distributeur 1304153001

Description du produit

  • Taille de connexion : G1/2"
  • Débit de référence (P = 6 - rp = 1 Bar) : 2700 NI/min
  • Pression de service : 2 ÷ 8 Bar (0,20 ÷ 0,80 MPa)
  • Annulation manuelle : Mono-biestable
  • Poids : 0,278 Kg
  • La bobine est fournie séparément

Code et référence :

1304153001 — REF: EV 1/2" 30 3 SL PM NC M

1304153002 — REF: EV 1/2" 30 3 SL PM NO M